Main Radar Home

Radar theory Home

AP3302 Pt3 Contents

AP3302 Pt3 Section 2Contents

Contact the Editor

AP 3302 Pt. 3

Section 2

CHAPTER 7

Monostable and Bistable Multivibrators

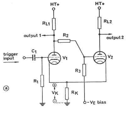
The basic circuit of a Schmitt trigger using valves is shown in Fig 16a, with associated wave-forms in Fig 16b. Under normal conditions, with no trigger input applied to V1, V2 is conducting heavily and the resulting voltage drop across RK raises the cathode voltage VK of both valves above earth. With V1g at zero volts, VK is sufficiently positive with respect to V1g to keep V1 cut off. V1a is thus at a high voltage (determined by the values of RL1, R2, R3 and the h.t. and bias voltages). V2g is also determined by the potential divider connected between h.t. + and the negative bias point. These are adjusted such that V2g tends to go positive but is held at zero volts relative to its cathode by grid current limiting. V2a, is therefore at its working voltage. This is the first stable state, in which V1 is held cut off and V2 is conducting.


 

Previous page

To top of this page

Next Page

Constructed by Dick Barrett
Email:
editor@ban_spam_radarpages.co.uk

(To e-mail me remove "ban_spam_" from my address)

©Copyright 2000 - 2002 Dick Barrett

The right of Dick Barrett to be identified as author of this work has been asserted by him in accordance with the Copyright, Designs and Patents Act 1988.