Main Radar Home

Radar theory Home

AP3302 Pt3 Contents

AP3302 Pt3 Section 2Contents

Contact the Editor

AP 3302 Pt. 3

Section 2

CHAPTER 10

Electronic Switching Circuits

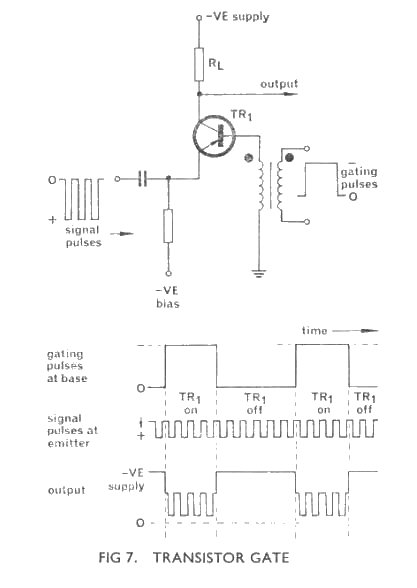
The transistor is cut on by negative-going gating pulses injected into the base via the transformer.  The transistor therefore conducts for the periods of the negative-going portions of the gating pulses and during these times the signal pulses appear at the collector.

Coincidence Circuits

A coincidence circuit and a gating circuit are very similar and so also is their action.  The difference lies in the inputs applied to the two systems.

Fig 8a illustrates a pentode gate used as a coincidence circuit.  From the waveforms of Fig 8b it is seen that an output is obtained only during the periods when both inputs are above cut-off, ie when the two waveforms coincide.  In general, a gating circuit is used to provide an output only during required and definite intervals of time, ie it selects part of a signal with respect to time.  A coincidence circuit, on the other hand, provides an output only when two separate functions occur simultaneously.  We shall see an example of the use of coincidence circuits in p214.

Trigger Circuits

We have already seen that many circuits, including the monostable and bistable multi-vibrator, operate only when a trigger pulse input is available.  Trigger pulses are obtained in many ways and we have seen examples in earlier chapters.  A square wave may be differentiated and then limited to produce either positive- or negative-going pulses.


 

Previous page

To top of this page

Next Page

Constructed by Dick Barrett
Email:
editor@ban_spam_radarpages.co.uk

(To e-mail me remove "ban_spam_" from my address)

©Copyright 2000 - 2002 Dick Barrett

The right of Dick Barrett to be identified as author of this work has been asserted by him in accordance with the Copyright, Designs and Patents Act 1988.