Main Radar Home

Radar theory Home

AP3302 Pt3 Contents

AP3302 Pt3 Section 2Contents

Contact the Editor

AP 3302 Pt. 3

Section 2

CHAPTER 6

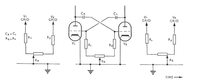
Free Running (Astable) Multivibrators 

 


 

Previous page

To top of this page

Next Page

Constructed by Dick Barrett
Email:
editor@ban_spam_radarpages.co.uk

(To e-mail me remove "ban_spam_" from my address)

©Copyright 2000 - 2002 Dick Barrett

The right of Dick Barrett to be identified as author of this work has been asserted by him in accordance with the Copyright, Designs and Patents Act 1988.